Your Ge refrigerator gss25gshss parts images are available. Ge refrigerator gss25gshss parts are a topic that is being searched for and liked by netizens now. You can Find and Download the Ge refrigerator gss25gshss parts files here. Find and Download all free vectors.
If you’re searching for ge refrigerator gss25gshss parts images information related to the ge refrigerator gss25gshss parts topic, you have pay a visit to the ideal blog. Our website always gives you hints for seeking the highest quality video and image content, please kindly search and locate more enlightening video content and graphics that fit your interests.
Ge Refrigerator Gss25gshss Parts. One-Pieces Overalls Jum Clothing Sets. Not to worry if your filter fails outside of this warranty theyre easily replaced and this. GE GSS25GSHBCSS side-by-side refrigerator parts - manufacturer-approved parts for a proper fit every time. It is one of the largest appliance.
Ge 25 3 Cu Ft Side By Side Refrigerator Gss25gshss Ge Appliances From geappliances.com
Call 1-877-959-8688 MonFri 8am8pm Sat 830am5pm ET GE ENERGY STAR 253 Cu. Brands Featured GE Refrigerator Reviews. Popular Accessories ICEMAKER FILTER. Of storage you can keep enough for the whole family and with LED lighting theyll have no trouble getting to it. Popular Accessories ICEMAKER FILTER. GE GSS25GSHSS side-by-side refrigerator which features 4 electronic temperature sensors to del.
Filter results by category title and symptom.
We also have installation guides diagrams and manuals to help you along the way. Filter results by category title and symptom. Side by Side Refrigerator in Stainless SteelAdjustable door bins creates additional storage for large itemsStrong and flexible shelf support. GE Appliances is an appliance company headquartered in Louisville Kentucky. Page 1 of 11. Side-By-Side Refrigerator Home Support Side By Side Refrigerator Owners Center Call.
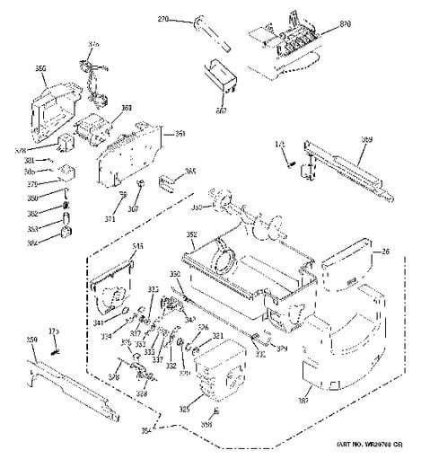
Source: geapplianceparts.com
Get Questions Answered Instantly. The GE Appliances GSS25GSHSS refrigerator comes with a one year warranty as standard which covers any part of the refrigerator which fails due to a defect in materials or workmanship. GE Refrigerator Model GSS25QSWASS Parts are easily labeled on this page to help you find the correct component for your repair. Call 1-877-959-8688 MonFri 8am8pm Sat 830am5pm ET GE ENERGY STAR 254 Cu. Call 1-877-959-8688 MonFri 8am8pm Sat 830am5pm ET GE 253 Cu.
Source: geappliances.com
Popular Accessories ICEMAKER FILTER. Of storage you can keep enough for the whole family and with LED lighting theyll have no trouble getting to it. GE GSS25GSHSS side-by-side refrigerator which features 4 electronic temperature sensors to del. Side-By-Side Refrigerator Model GSS25GSHSS APPROXIMATE DIMENSIONS HxDxW 69 12 in x 35 14 in x 35 34 in CAPACITY Total Capacity cubic feet 2530 cu ft Fresh Food Capacity 1610 cu ft Freezer Capacity 920 cu ft WARRANTY Parts Warranty - Limited 1. One-Pieces Overalls Jum Clothing Sets.
Source: geappliances.com
This new and improved filter replaces the GWF metal canister. Call 1-877-959-8688 MonFri 8am8pm Sat 830am5pm ET GE ENERGY STAR 254 Cu. Call 1-877-959-8688 MonFri 8am8pm Sat 830am5pm ET GE 253 Cu. Popular Accessories ICEMAKER FILTER. Side by Side Refrigerator in Stainless SteelAdjustable door bins creates additional storage for large itemsStrong and flexible shelf support.
Source: automaticnewyork.com
Popular Accessories GE MWF REFRIGERATOR WATER FILTER. Page 1 of 11. Brands Featured GE Refrigerator Reviews. The GE Appliances GSS25GSHSS refrigerator comes with a one year warranty as standard which covers any part of the refrigerator which fails due to a defect in materials or workmanship. One-Pieces Overalls Jum Clothing Sets.
Source: manueljoseph.com
365 days to return any part. GE Appliances is your home for the best kitchen appliances home products parts and accessories and support. Not to worry if your filter fails outside of this warranty theyre easily replaced and this. 6 Month Timer for Refrigerator Filters. Page 1 of 11.
Source: automaticnewyork.com
Save See Special Offers. One-Pieces Overalls Jum Clothing Sets. Call 1-877-959-8688 MonFri 8am8pm Sat 830am5pm ET GE ENERGY STAR 253 Cu. Original high quality parts for GE GSS25GSHBCSS Refrigerator in stock and ready to ship today. MWFP 4999 GE.
Source: automaticnewyork.com
Keep food items fresh and tasty with this 253 cu. You can also view diagrams and manuals review common problems that may help answer your questions watch related videos read insightful articles or use our repair help guide to get started. GE GSS25GSHBCSS side-by-side refrigerator parts - manufacturer-approved parts for a proper fit every time. Popular Accessories ICEMAKER FILTER. Multi-level drawers keep your fruits and vegetables fresh while slide-out spillproof shelves contain spills and make clean up easy.
Source: skinnyrefrigerator.blogspot.com
GE Refrigerator Model GSS25QSWASS Parts are easily labeled on this page to help you find the correct component for your repair. This new and improved filter replaces the GWF metal canister. Checkout or continue shopping. By admin March 29 2020 April 22 2020 0 1046. Of storage you can keep enough for the whole family and with LED lighting theyll have no trouble getting to it.
Source: geapplianceparts.com
Call 1-877-959-8688 MonFri 8am8pm Sat 830am5pm ET GE ENERGY STAR 253 Cu. GE Appliances manufactures kitchen appliances home products parts and accessories and more. Popular Accessories ICEMAKER FILTER. 365 days to return any part. It is owned by Haier a Chinese conglomerate.
Source: appliancesconnection.com
GE Appliances manufactures kitchen appliances home products parts and accessories and more. This new and improved filter replaces the GWF metal canister. Adjustable slide-out spillproof glass shelves. Side by Side Refrigerator in Stainless SteelAdjustable door bins creates additional storage for large itemsStrong and flexible shelf support. The GE Appliances GSS25GSHSS refrigerator comes with a one year warranty as standard which covers any part of the refrigerator which fails due to a defect in materials or workmanship.
Source: geapplianceparts.com
Call 1-877-959-8688 MonFri 8am8pm Sat 830am5pm ET GE ENERGY STAR 253 Cu. By admin March 29 2020 April 22 2020 0 1046. 365 days to return any part. MWF-TIMER6 650 GE MWF REFRIGERATOR. GE Appliances is an appliance company headquartered in Louisville Kentucky.
Source: geapplianceparts.com
This new and improved filter replaces the GWF metal canister. Page 1 of 11. GE GSS25GSHSS Side-by-side Refrigerator Review. MWF-TIMER6 650 GE MWF REFRIGERATOR. The GE Appliances GSS25GSHSS refrigerator comes with a one year warranty as standard which covers any part of the refrigerator which fails due to a defect in materials or workmanship.
Source: geapplianceparts.com
6 Month Timer for Refrigerator Filters. Original high quality parts for GE GSS25GSHBCSS Refrigerator in stock and ready to ship today. GE Appliances manufactures kitchen appliances home products parts and accessories and more. Update your kitchen with this side-by-side refrigerator from GE. MWFP 4999 GE MWF REFRIGERATOR WATER FILTER 3-PACK.
Source: youtube.com
The GE stands for the brand general electronics and it is aimed at providing you with. Update your kitchen with this side-by-side refrigerator from GE. Httpsamznto3bsG2Hu Product Description. This new and improved filter replaces the GWF metal canister. Save See Special Offers.
Source: appliancesconnection.com
Adjustable slide-out spillproof glass shelves. Adjustable door bins creat. Popular Accessories ICEMAKER FILTER. Technology has really advanced over the years and a clear example of it can be seen here. MWF-TIMER6 650 GE MWF REFRIGERATOR WATER FILTER.
Source: geapplianceparts.com
Side by Side Refrigerator in Stainless SteelAdjustable door bins creates additional storage for large itemsStrong and flexible shelf support. Technology has really advanced over the years and a clear example of it can be seen here. Side by Side Refrigerator in Stainless SteelAdjustable door bins creates additional storage for large itemsStrong and flexible shelf support. GE GSS25GSHSS side-by-side refrigerator which features 4 electronic temperature sensors to del. GE Appliances manufactures kitchen appliances home products parts and accessories and more.
Source: skinnyrefrigerator.blogspot.com
To see parts for your model only select it from Matching Model Numbers on the left. Update your kitchen with this side-by-side refrigerator from GE. Call 1-877-959-8688 MonFri 8am8pm Sat 830am5pm ET GE 253 Cu. By admin March 29 2020 April 22 2020 0 1046. MWFP 4999 GE MWF REFRIGERATOR WATER FILTER 3-PACK.
Source: skinnyrefrigerator.blogspot.com
Popular Accessories GE MWF REFRIGERATOR WATER FILTER. Call 1-877-959-8688 MonFri 8am8pm Sat 830am5pm ET GE ENERGY STAR 254 Cu. Checkout or continue shopping. 365 days to return any part. MWFP 4999 GE.
This site is an open community for users to do sharing their favorite wallpapers on the internet, all images or pictures in this website are for personal wallpaper use only, it is stricly prohibited to use this wallpaper for commercial purposes, if you are the author and find this image is shared without your permission, please kindly raise a DMCA report to Us.
If you find this site value, please support us by sharing this posts to your preference social media accounts like Facebook, Instagram and so on or you can also save this blog page with the title ge refrigerator gss25gshss parts by using Ctrl + D for devices a laptop with a Windows operating system or Command + D for laptops with an Apple operating system. If you use a smartphone, you can also use the drawer menu of the browser you are using. Whether it’s a Windows, Mac, iOS or Android operating system, you will still be able to bookmark this website.




